ПСТ 72.15.3.5

Чертеж изделия:
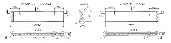
Характеристики изделия:
ПараметрЗначение
длина7180 мм
ширина350 мм
высота1485 мм
масса4340 кг
нормативный документШифр М25.13/98

ПСТ 72.15.3.5 Панели стеновые трёхслойные по Шифру М25.13/98.