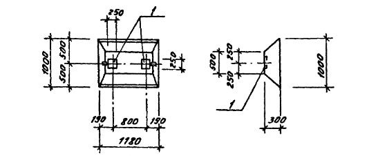
ФЛ 10.12

Чертеж изделия:
Характеристики изделия:
ПараметрЗначение
длина1180 мм
ширина1000 мм
высота300 мм
вес650 кг
серия3.900.9-13

ФЛ 10.12 Плиты фундаментные по серии 3.900.9-13.