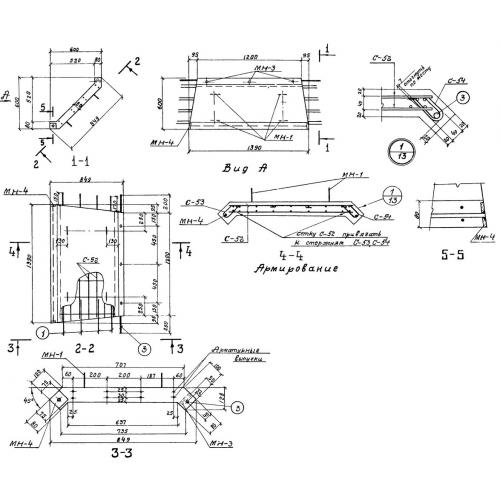
ЛТ 3-6 Лотки угловые для цилиндрических сооружений
Характеристики изделия:
| Параметр | Значение |
|---|---|
| длина | 1390 мм |
| ширина | 849 мм |
| высота | 128 мм |
| масса | 230 кг |
| нормативный документ | Серия 3.900.-3 |
Цена:
Рассчитать стоимостьЛТ 3-6 Лотковые элементы по Серии 3.900.-3.
