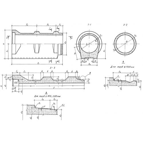
ТСПР 140.25

Чертеж изделия:
Характеристики изделия:
ПараметрЗначение
длина2690 мм
ширина1916 мм
высота1916 мм
масса5900 кг
нормативный документСерия 3.820.1-81.94

ТСПР 140.25  Труба бетонная безнапорная ребристая раструбная с подошвой, имеющая ступенчатую стыковую поверхность втулочного конца. Уплотнение стыковой поверхности таких элементов производится резиновыми кольцамиСерия 3.820.1-81.94.