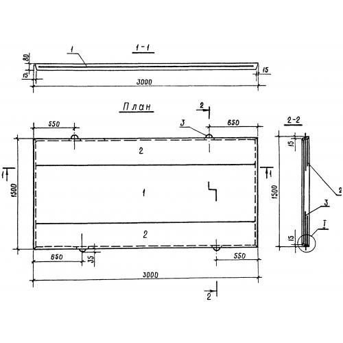
ПК 30-15

Чертеж изделия:
Характеристики изделия:
ПараметрЗначение
длина3000 мм
ширина1500 мм
высота80 мм
масса880 кг
нормативный документСерия 3.820.1-70

ПК 30-15  Плиты для крепления откосов мелиоративных каналов по Серии 3.820.1-70.