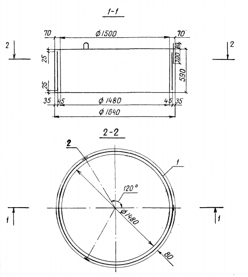
КС 15-1

Чертеж изделия:
Характеристики изделия:
ПараметрЗначение
длина1640 мм
ширина1640 мм
высота590 мм
вес575 кг
серия3.820-9

КС 15-1 Кольца колодцев стеновые по серии 3.820-9.