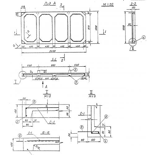
РП 10-20

Чертеж изделия:
Характеристики изделия:
ПараметрЗначение
длина2000 мм
ширина1000 мм
высота100 мм
масса325 кг
нормативный документСерия 3.820-6

РП 10-20  Ребристые плиты по Серии 3.820-6.