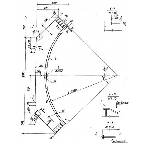
Д 1

Чертеж изделия:
Характеристики изделия:
ПараметрЗначение
длина4184 мм
ширина400 мм
высота1002 мм
вес1880 кг
серия3.702-1/79

Д 1 Балки днища по серии 3.702-1/79.