ФП-1

Чертеж изделия:
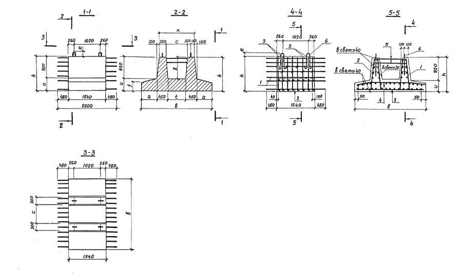
Характеристики изделия:
ПараметрЗначение
длина2500 мм
ширина3000 мм
высота1420 мм
масса8000 кг
нормативный документСерия 3.503.1-57

ФП-1  Блоки фундамента Серия 3.503.1-57.