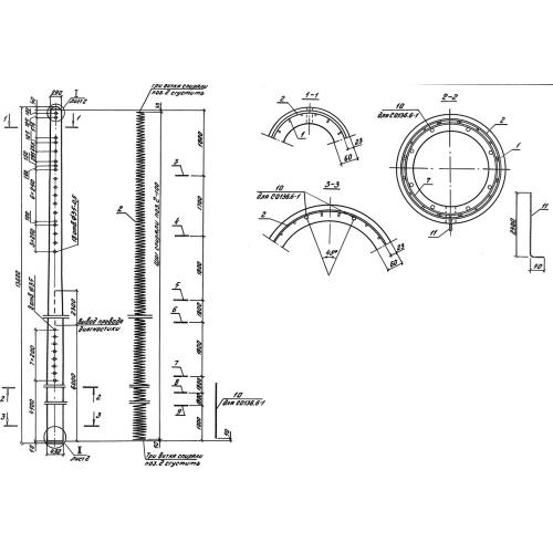
С 136 стойка

Чертеж изделия:
Характеристики изделия:
ПараметрЗначение
длина13600 мм
ширина492 мм
высота492 мм
вес2100 кг
серия3.501.1-160

С 136  Стойки для опор контактной сети железных дорог по серии 3.501.1-160.