БД 1

Чертеж изделия:
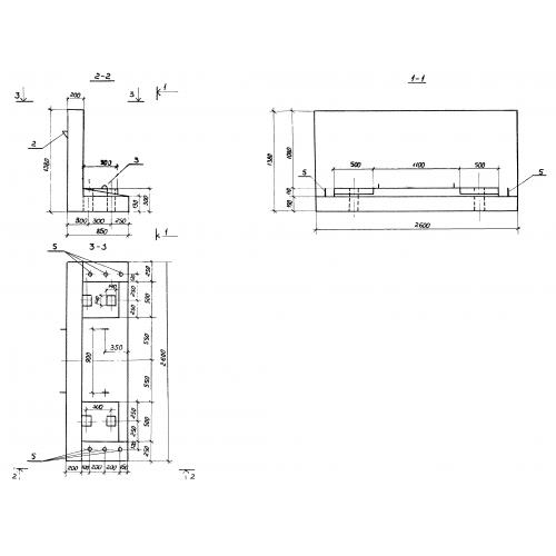
Характеристики изделия:
ПараметрЗначение
длина2600 мм
ширина850 мм
высота1380 мм
масса2780 кг
нормативный документСерия 3.014.1-2

БД 1 Блоки Серия 3.014.1-2.