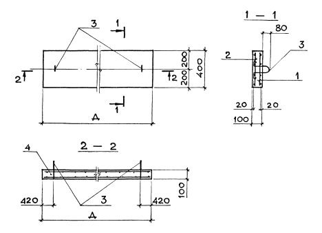
ПП 9 плита

Чертеж изделия:
Характеристики изделия:
ПараметрЗначение
длина2650 мм
ширина400 мм
высота100 мм
масса270 кг
нормативный документСерия 3.006.1-8

ПП 9  Плоские подкладки под стыки сборных элементов канала Серия 3.006.1-8.