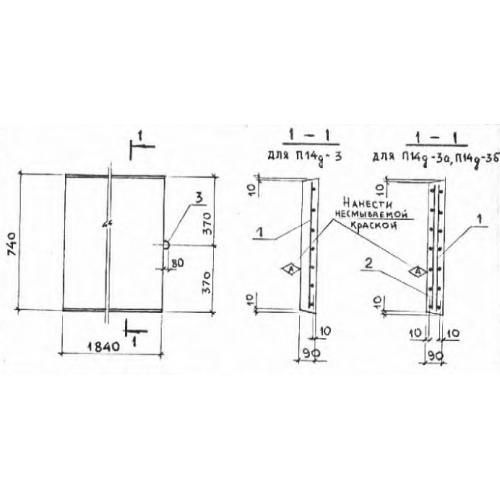
П 14 д плиты лотков

Чертеж изделия:
Характеристики изделия:
ПараметрЗначение
длина740 мм
ширина1840 мм
высота90 мм
масса310 кг
нормативный документСерия 3.006.1-2/87

П 14д Плиты перекрытия лотков доборные Серия 3.006.1-2/87.