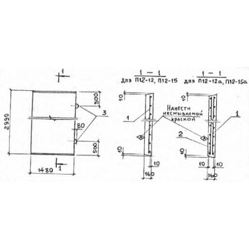
П 12 плиты лотков

Чертеж изделия:
Характеристики изделия:
ПараметрЗначение
длина2990 мм
ширина1480 мм
высота160 мм
масса1770 кг
нормативный документСерия 3.006.1-2/87

П 12 Плиты перекрытия лотков Серия 3.006.1-2/87.