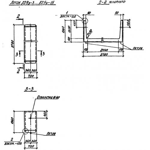
Л 29д

Чертеж изделия:
Характеристики изделия:
ПараметрЗначение
длина720 мм
ширина2780 мм
высота1360 мм
масса1430 кг
нормативный документСерия 3.006.1-2/82

Л 29д  Лотки теплотрасс доборные  Серия 3.006.1-2/82.