П 22д

Чертеж изделия:
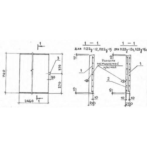
Характеристики изделия:
ПараметрЗначение
длина740 мм
ширина2460 мм
высота250 мм
вес1140 кг
серия3.006-2

П 22д Плиты перекрытия лотков доборные по серии 3.006-2.