ПЖД 2 а
| Параметр | Значение |
|---|---|
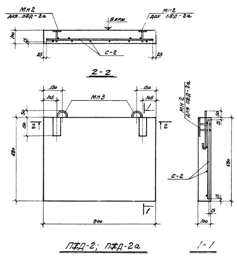
| Длина | 900 мм |
| Ширина | 680 мм |
| Высота | 100 мм |
| Масса | 150 кг |
| Нормативный документ | Серия 2.419-1 |
Стандарт изготовления изделия: Серия 2.419-1
Плиты ПЖД 2 а (2.419-1) представляют собой прямоугольные конструкции, имеющие на верхней продольной грани строповочные петли, предназначенные для упрощения процесса транспортировки и монтажа. Дополнительно на теле изделия присутствуют закладные детали, необходимые для крепления смежных конструкций.
Применяются унифицированные плиты при строительстве производственных зданий, оборудованных вводами железнодорожных путей, имеющих колею 1524 мм. Изделия укладываются вдоль шпал по пути следования железнодорожного полотна на щебеночной подготовке. Конструкция рассчитана на нагрузку от безрельсового транспорта интенсивностью 26 т/м2, а также на нагрузку от собственного веса. При расчете и проектировании элементов учитывались требования СНиП 1-В.5-62 и СНиП III- Д.1-62.
Маркировка
1. ПЖД - тип конструкции - плита железнодорожная;
2. 2 - порядковый номер типоразмера элемента.