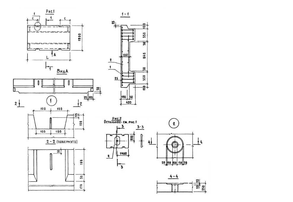
ЛРТ 60.18.40 ла
Характеристики изделия:
| Параметр | Значение |
|---|---|
| длина | 5980 мм |
| ширина | 1800 мм |
| высота | 400 мм |
| масса | 4670 кг |
| нормативный документ | Серия 1.165.1-12 |
Цена:
Рассчитать стоимостьЛРТ 60.18.40 ла Водосбросные лотковые плиты с водоприемной воронкой, Серия 1.165.1-12.