ПР 30.15

Чертеж изделия:
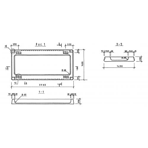
Характеристики изделия:
ПараметрЗначение
длина2980 мм
ширина1490 мм
высота220 мм
вес1325 кг
серия1.090.1-1/88

ПР 30.15 Ребристые плиты перекрытий по серии 1.090.1-1/88.