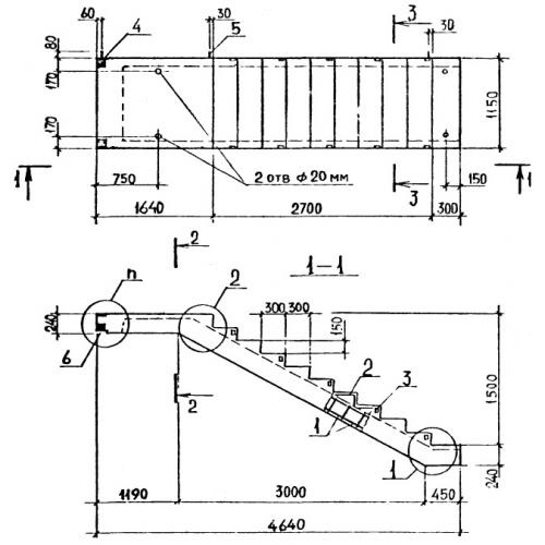
ЛМП 60.11.15 лестничные марши

Чертеж изделия:
Характеристики изделия:
ПараметрЗначение
длина4640 мм
ширина1150 мм
высота1500 мм
масса2000 кг
нормативный документСерия 1.050.1-2

ЛМП 60.11.15  Лестничные марши ребристые с полуплощадками Серия 1.050.1-2.