ПСЦ 30.23.25

Чертеж изделия:
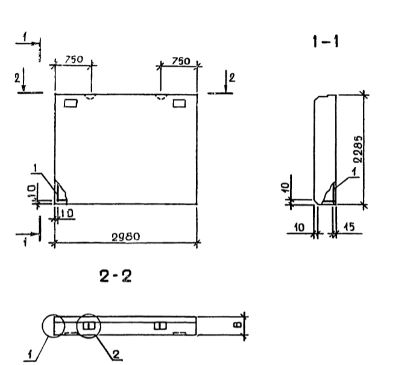
Характеристики изделия:
ПараметрЗначение
длина2980 мм
ширина2285 мм
высота250 мм
масса2280 кг
нормативный документСерия 1.020.1-3пв

ПСЦ 30.23.25  Панели стеновые цокольные Серия 1.020.1-3пв.