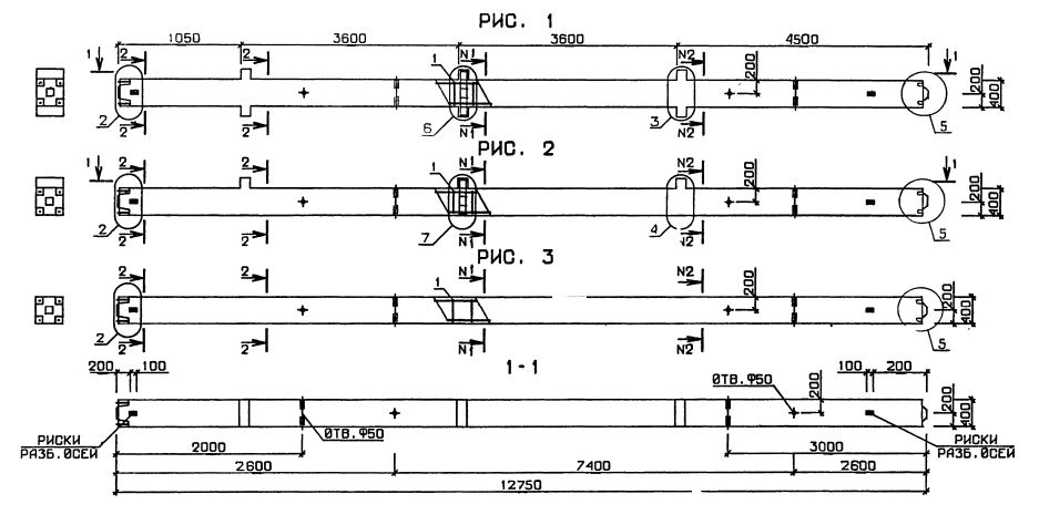
3КНД 4.36(48)

Чертеж изделия:
Характеристики изделия:
ПараметрЗначение
длина12750 мм
ширина400 мм
высота700 мм
масса5640 кг
нормативный документСерия 1.020.1-3пв

3КНД 4.36(48)  Колонны нижние двухконсольные Серия 1.020.1-3пв.