1Д 56.33

Чертеж изделия:
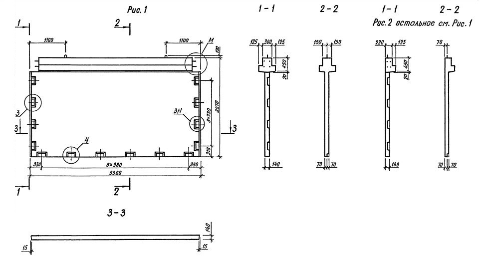
Характеристики изделия:
ПараметрЗначение
длина5560 мм
ширина345 мм
высота3270 мм
масса7400 кг
нормативный документСерия 1.020.1-3пв

1Д 56.33  Диафрагмы жесткости с одной полкой Серия 1.020.1-3пв.