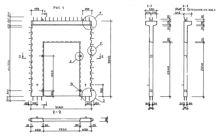
1Д 32.39

Чертеж изделия:
Характеристики изделия:
ПараметрЗначение
длина3400 мм
ширина345 мм
высота4340 мм
масса2190 кг
нормативный документСерия 1.020.1-3пв

1Д 32.39  Диафрагмы жесткости с одной полкой Серия 1.020.1-3пв.