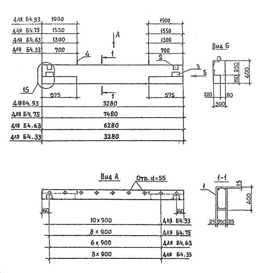
Б 4.63

Чертеж изделия:
Характеристики изделия:
ПараметрЗначение
длина6280 мм
ширина300 мм
высота400 мм
масса1800 кг
нормативный документСерия 1.020.1-2с/89

Б 4.63  Балки окаймляющие Серия 1.020.1-2с/89.