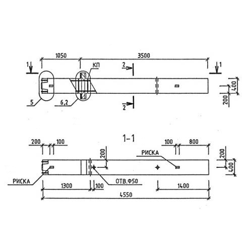
1КН 33 колонны

Чертеж изделия:
Характеристики изделия:
ПараметрЗначение
длина4500 мм
ширина400 мм
высота400 мм
масса1820 кг
нормативный документСерия 1.020-1/87

1КН 33  Колонны нижние Серия 1.020-1/87.