ППФ 9-81
Характеристики изделия:
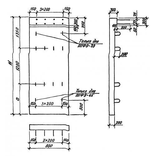
| Параметр | Значение |
|---|---|
| длина | 900 мм |
| ширина | 300 мм |
| высота | 8100 мм |
| вес | 3750 кг |
| серия | 1.012.1-3.97 |
Цена:
Рассчитать стоимостьППФ 9-81 Плиты фундаментные плоские по серии 1.012.1-3.97.
| Параметр | Значение |
|---|---|
| длина | 900 мм |
| ширина | 300 мм |
| высота | 8100 мм |
| вес | 3750 кг |
| серия | 1.012.1-3.97 |
ППФ 9-81 Плиты фундаментные плоские по серии 1.012.1-3.97.
