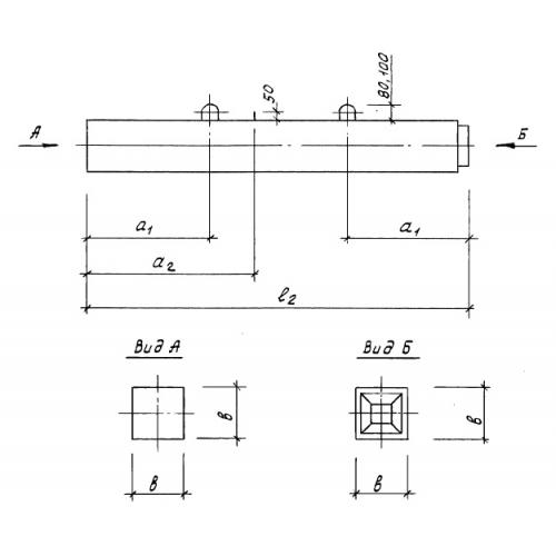
С 120.30

Чертеж изделия:
Характеристики изделия:
ПараметрЗначение
длина12000 мм
ширина300 мм
высота300 мм
вес2700 кг
серия1.011.1-10

С 120-30 Сваи составные верхние по серии 1.011.1-10.