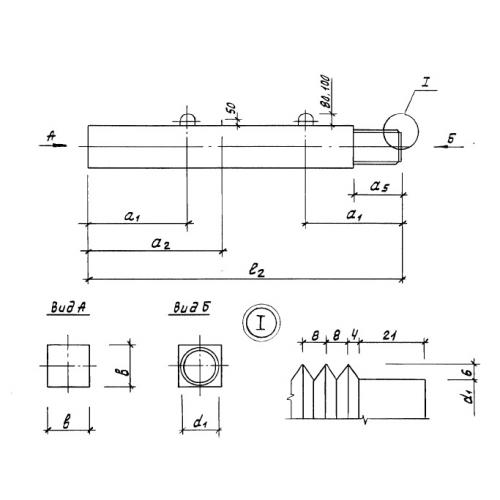
С 100.40-вс сваи составные верхние

Чертеж изделия:
Характеристики изделия:
ПараметрЗначение
длина10000 мм
ширина400 мм
высота400 мм
масса3950 кг
нормативный документСерия 1.011.1-10

С 100.40-вс   Сваи составные верхние Серия 1.011.1-10.