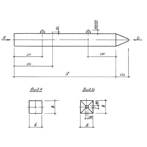
С 13-35

Чертеж изделия:
Характеристики изделия:
ПараметрЗначение
длина13000 мм
ширина350 мм
высота350 мм
масса4030 кг
нормативный документСерия 1.011-1

С 13-35     Сваи цельные сплошного квадратного сечения с ненапрягаемой арматурой, нетрещиностойкие  (Серия 1.011-1).