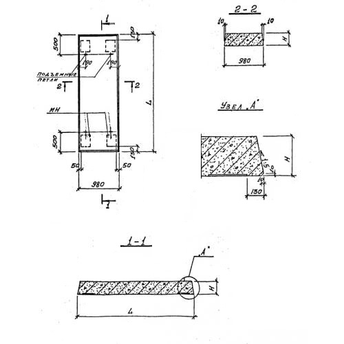
ПТН 24-10

Чертеж изделия:
Характеристики изделия:
ПараметрЗначение
длина2700 мм
ширина980 мм
высота250 мм
масса1600 кг
нормативный документСерия 0.55.18.236

ПТН 24-10 Плиты перекрытия тоннелей Серия 0.55.18.236.